Cookies är aktiverade på den här webbplatsen för att ge dig bästa möjliga webbupplevelse. Du kan konfigurera cookie-inställningarna för att inaktivera cookies. Mer information »

Genom att acceptera alla cookies kommer webbplatsen ihåg de sökningar och val du gör, samt förbättrar funktionaliteten. Med hjälp av cookies samlar vi in information som hjälper oss att utveckla sajten och användarupplevelsen. Cookies tillåter oss att bättre rikta in användarrelevant innehåll. Vissa cookies är tredjepartscookies.

Acceptera alla cookies

Genom detta val så fungerar katalogen som så att de inställningar som görs i katalogen sparas för ditt framtida besök, dock upp till 30 dagar eller tills du själv rensar cookies i din webbläsare. Alla cookies som används för analys stängs av.

Använd endast nödvändiga cookies

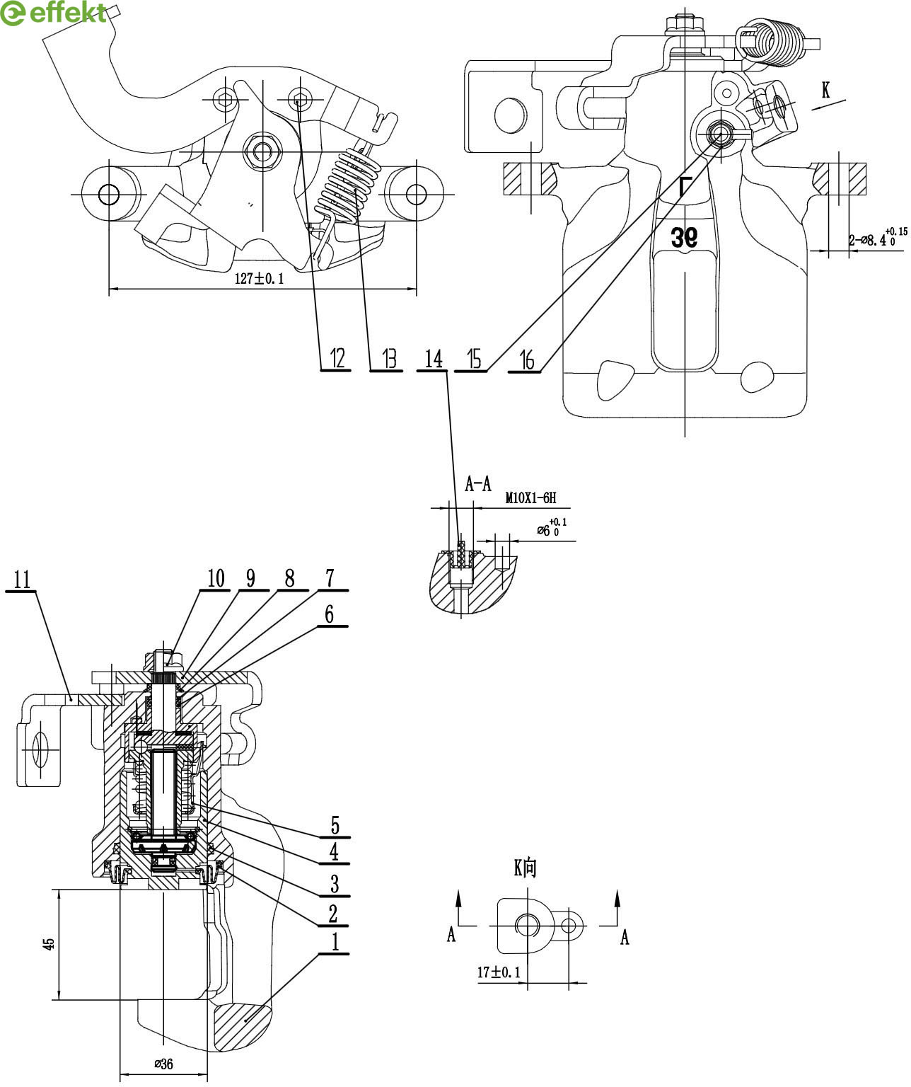
Bromsok utan stomavgift

Pris (inkl. moms) 2 080,00 kr
Finns på centrallager 
Bromsok utan stomavgift
Effekt www.kgk.se

Artikelinformation

Bromsoken är stomfria - ingen stomavgift, ingen stomhantering.

Byt alltid bromsvätskan vid bromsoksbyte, helst innan det nya oket monteras. Kontrollera även bromsslangarna och bromsrören.

Egenskaper

Position: Bakom axeln
Position: Bak Höger
Artikelnummer parvis: 344238
Bromssystem: BOSCH
Bromsskivetjocklek [mm]: 10 mm
Bromsoksutförande: Bromsok (1-kolvs)
Diameter [mm]: 36 mm
Ursprungsland: CN
Tullkod: 87083091